Клапаны всегда в наличии

Круглые противопожарные и воздушные клапаны любого исполнения, с приводами и без всегда в наличии у нас на складе. Доставим в кратчайшие сроки.

Необходим монтаж?

Нужен профессиональный и качественный монтаж вентиляционного оборудования?
Оставьте свою заявку по объекту и наши специалисты выполнят свою работу в кратчайшие сроки!
* Услуга доступна только при приобретении оборудования на нашем сайте

ПВУ c пластинчатым теплоутилизатором ОТД-P-600-V

Преимущества установок ОТД-P:

  • Экономия тепловой энергии
  • Потоки полностью разделены
  • Долговечная эффективная эксплуатация
  • Низкий уровень шума
  • Удобства монтажа и использования

Нужен монтаж?

Необходим монтаж оборудования? Оставьте заявку по объекту, и мы свяжемся с Вами

Есть вопрос?

Оставьте свои данные, и мы свяжемся с Вами в указанное время

Преимущества установок ОТД-P

Экономия тепловой энергии

Во время вентиляции, тепло из удаляемого воздуха передается входящему в помещение потоку воздуха.

Потоки полностью разделены

Потоки подаваемого и удаляемого воздуха полностью разделены друг от друга, поэтому можно использовать тепло даже загрязненного неприятными запахами удаляемого воздуха, чтобы подогреть свежий подаваемый воздух.

Долговечная эффективная эксплуатация

Пластинчатые теплоутилизаторы изготавливаются из алюминиевых пластин без движущихся частей, это обуславливает эффективный теплообмен и долговечную эксплуатацию.

Низкий уровень шума

Установки ОТД-P комплектуются малошумными вентиляторами, корпус снабжен эффективной звукоизоляцией, что обеспечивает тихую работу самой установки.

Удобства монтажа и использования

Встроенная и проверенная автоматика позволяет легко подключать необходимое допоборудование. Все установки серии ОТД достаточно подключить к электрической сети для использования. Удобные дверные замки обеспечивают безопасную эксплуатацию установки.

Пластинчатый теплоутилизатор

Конструкция:

  • Набор из алюминиевых пластин, между которыми оставлены зазоры;
  • Теплый удаляемый воздух проходит сквозь каждый второй канал, а нагреваемый свежий воздух – через остальные каналы;
  • Пластины гофрированы во избежание деформации и слипания при разнице давления между потоками;
  • Гофрированная алюминиевая поверхность вызывает турбулентные завихрения воздуха, что улучшает теплообмен.

Защита от обмерзания

Если температура на улице падает ниже -4 °C (приблизительное значение,  зависящее       от относительной влажности и температуры потоков воздуха),  возникает  опасность обледенения пластинчатого теплоутилизатора.

Для дополнительной защиты системы, в условиях, когда температура наружного воздуха может быть ниже -4 °C, рекомендуется установить предварительный канальный нагреватель воздуха.

Размораживание теплоутилизатора запускается автоматически  по  сигналу датчика температуры, который комплектуется с установкой.

Замечание: должен быть смонтирован отвод конденсата (дренаж)!

Основные характеристики:

Производительность

Температурная эффективность

Акустические характеристики

Дополнительные комплектующие

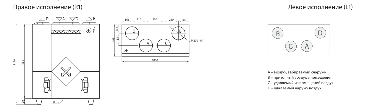
Габаритные размеры

Бренд

Komfovent

    Заявка на монтаж







    Нажимая на кнопку, Вы даете согласие на обработку своих персональных данных.

      Заявка на обратный звонок




      Нажимая на кнопку, Вы даете согласие на обработку своих персональных данных.