AIRS NM230-SR-S
Электропривод предназначен для управления воздушными клапанами систем вентиляции зданий и сооружений.
- Управление аналоговое (пропорциональное)
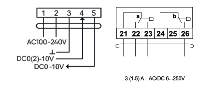
- Напряжение питания 230В, управление 0(2)…10В, 0(4)…20мА
- Управление воздушными клапанами площадью до 1,5 м2
- Крутящий момент 8 Нм
- Возможно взрывозащищенное исполнение
- Вспомогательные переключатели
Принцип действия
При подаче управляющего сигнала происходит вращение вала электропривода к положениям открыто или закрыто в зависимости от величины управляющего сигнала. На плате привода под верхней крышкой находится переключатель, тумблер 1 которого производит смену направления вращения: «ON» – по часовой стрелке; «OFF» – против часовой стрелки. Тумблер 2 производит переключение диапазона вели- чины управляющего сигнала: «ON» – 0…10В или 0…20мА; «OFF» – 2…10В или 4…20мА.
Монтаж
Электропривод легко устанавливается непосредственно на вал створки клапана круглого сечения 10…20 мм или квадратного сечения 10…16 мм и закрепляется с помощью универсального крепежного устройства. К корпусу клапана электропривод крепится при помощи универсальной крепежной пластины или непосредственно на корпус клапана.
Сигнализация положений
Электропривод содержит два встроенных переключателя, которые могут устанавливаться на различный угол сигнализации.
Электропривод выдает сигнал обратной связи в зависимости от угла поворота вала привода, кроме того промежуточное положение определяется по механическому указателю.
Схемы электрических подключений
3 (1.5) A AC/DC 6…250V


