Диффузор струйно-сопловый JVA
Диффузор декоративный струйно-сопловый JVA предназначен для вентиляции больших и высоких помещений, таких как аэропорты, выставочные павильоны, театры и т.д. Применяются для подачи охлажденного или нагретого воздуха с возможностью регулировки направления струи.
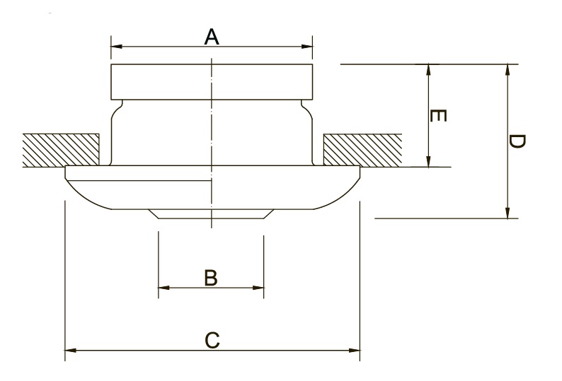
Чертеж JVA
Габаритные размеры
- Шаровая часть может изменять направление потока под углом до 30°
- Поворот осуществляется вручную
- Обеспечивает дальнобойную струю до 25 м при высокой скорости на выходе
Материал: алюминий
Монтаж: потолочный или настенный при помощи саморезов, либо установка непосредственно в круглый воздуховод
Покрытие: порошковая окраска RAL 9016





