AIRS LM24
Электропривод предназначен для управления воздушными клапанами систем общеобменной вентиляции зданий и сооружений.
- Управление 2-х позиционное или 3-х позиционное
- Напряжение питания 24 В
- Управление воздушными клапанами площадью до 0,8 м2
- Крутящий момент 4 Нм
Принцип действия
При подаче напряжения происходит вращение вала электропривода к положениям открыто или закрыто. При прекращении подачи напряжения вал сохраняет свое положение. Смена направления вращения производится переключателем «CW-CCW» на корпусе привода. Ручное управление осуществляется поворотом вала привода после вывода из зацепления редуктора при помощи рычага на корпусе привода
Монтаж
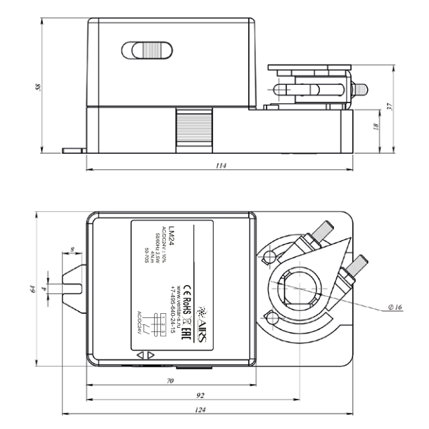
Электропривод легко устанавливается непосредственно на вал створки клапана круглого сечения 6…16 мм или квадратного сечения 5…11 мм и закрепляется с помощью специального хомута. К корпусу клапана электропривод крепится при помощи универсальной крепежной пластины или непосредственно на корпус клапана.
Сигнализация положений
Промежуточное положение определяется по механическому указателю.
Схемы электрических подключений


